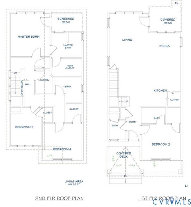
$5000 in Seller paid closing costs!!! Stunning New Construction - To Be Built | 4 Bedrooms | In-Law Suite | Energy-Efficient Welcome to this beautifully designed two-story, 4-bedroom home created with today's modern family in mind. Featuring a first-floor in-law suite, this layout is ideal for multigenerational living, guests, or flexible use as a home office or private retreat. The heart of the home is a thoughtfully planned kitchen offering a center island, pantry, and seamless flow into the dining area-perfect for everyday living and entertaining. The dining room showcases elegant tray ceilings, adding architectural charm, while the family room is anchored by an electric fireplace, creating a warm and inviting gathering space. Luxury vinyl plank flooring enhances the kitchen, dining room, and bathrooms, while plush carpet provides comfort in all bedrooms, the family room, hallway, and stairway. Washer and dryer hookups on the first floor add everyday convenience. Relax and unwind on the full country front porch, and enjoy peace of mind in this energy-efficient home, thoughtfully designed for comfort, functionality, and long-term savings. Highlights include: 4 bedrooms, including a first-floor in-law suite 2-story open and functional layout Kitchen island & pantry Tray ceilings in the dining room Electric fireplace in the family room Luxury vinyl plank flooring in kitchen, dining & baths Carpeted bedrooms, hallway, stairs & family room First-floor laundry hookups Full country front porch Energy-efficient construction Images represent the builder's artistic interpretation and are for illustrative purposes only. This home is to be built. Actual materials, finishes, features, and layout may vary from images shown.
Listed By
Agency Name: VA Choice Real Estate LLC
Shown By
Agent Name: Jeff Solliday
Agent Phone: (804) 715-2603
Agency Title: Joyner Fine Properties
Estimated Payment
$ 2,495.86 per month $1,516.71 Principal & Interest $891.67 Property Tax $87.49 Homeowner's Insurance
143 S Old Church Street | MLS# 2602241
This single family home located at 143 S Old Church Street, Petersburg, VA 23803 is currently listed for sale with an asking price of $299,950. This property was built in 2026 and has 4 bedrooms and 3 full and 1 partial baths with 1833 sq. ft. S Old Church Street is located in the Blandford subdivision. Search Blandford real estate on www.jsolliday.com today.